• {{ item }}
客户端 上传 充值 VIP 签到
已下架

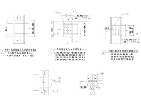
梁腹板孔口的补强节点详图

ID: 2033609 复制
{{ modelInfos.info.is_collect ? "已" : "" }}收藏
  • 上传时间 :
    2022-04-27
  • 文件大小 ? :
    0.03MB
VIP低至
{{ Math.trunc((modelInfos.info.model_discount / 100) * modelInfos.info.original_money) }}欧币
原价: {{ modelInfos.info.original_money || 0 }}欧币
新用户登录即送大礼包

小欧设计库

素材管理工具

小O设计库

欧模网提供优质的cad施工图下载,本次cad施工图主题为梁腹板孔口的补强节点详图,所属分类为节点大样,梁腹板孔口的补强节点详图_cad施工图ID:2033609是由欧模网用户182****3834于2022年04月27日上传。

用户在本站下载的电子素材,著作权归欧模网及相关权利人所有。用户应按照欧模网的要求进行使用,不将其用于任何商业、促销、软文、代言、广告宣传或推销等目的,不向第三方提供或许可第三方使用;不得使用“欧模”、“欧模网”等本站注册商标。如发现有上述禁止行为,欧模网有权取消用户资格,扣除用户账户中的全部余额,要求用户立即停止使用电子素材并赔偿因此给欧模网造成的全部损失。

您所购买并下载的素材,系由发布人进行上传并出售,您认为该内容侵犯您合法权益的,请点击查看侵权申诉规则

小O设计库 小O设计库

面向广大设计领域用户打造的一站式素材管理工具

  • {{ advantage.title }}

    {{ advantage.desc }}

我已安装小O设计库,点击立即使用